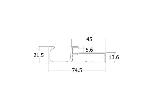
1AL34-6